0 10V Dimming Wiring Diagram : 0 10v Dimming Wiring Diagram Led Downlight Diagram Base Website Led Downlight Hrdiagramlined Tufogrecofestival It / So that we attempted to obtain some great 1 10v dimming wiring diagram image for you.. Branch circuit emergency lighting control. It shows the elements of the circuit as streamlined forms, and the power and signal connections between the devices. If the light output can only be dimmed from 100% down to 10%, there must be a switch or relay available to kill power to the system and turn the light. Collection of 0 10 volt dimming wiring diagram. Lutron's new facility management tool empowers you to manage your building from anywhere.

It includes directions and diagrams for different varieties of wiring strategies as well as other products like lights, home windows, etc. Lutron's new facility management tool empowers you to manage your building from anywhere. Upgrade your space with precise dimming control and exceptional style. A typical v wiring diagram is. A wiring diagram is a streamlined standard photographic representation of an electric circuit.

0 10v Dimming Ballast Wiring Diagram Gm Radio Wiring Harness Diagram Cheerokee Yenpancane Jeanjaures37 Fr
0 10v Dimming Ballast Wiring Diagram Gm Radio Wiring Harness Diagram Cheerokee Yenpancane Jeanjaures37 Fr from www.premierltg.com
A wiring diagram is a simplified standard photographic depiction of an electric circuit. It contains directions and diagrams for various varieties of wiring methods along with other items like lights, windows, and so on. Upgrade your space with precise dimming control and exceptional style. It includes directions and diagrams for different varieties of wiring strategies as well as other products like lights, home windows, etc. I keep seeing advice to not run the control wires and line voltage wires in the same conduit (class 1 style) so i'd like to run them separately (class 2). Branch circuit emergency lighting control. A typical v wiring diagram is. Yes, the ip710 and ds710 dimmers can be used on a low voltage circuit with the opp20 power pack.

If the light output can only be dimmed from 100% down to 10%, there must be a switch or relay available to kill power to the system and turn the light.

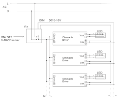
The led drivers are sending 10v to the dimmer (current sink). It shows the elements of the circuit as simplified shapes, and also the power and also signal connections in between the devices. A typical v wiring diagram is. Lutron 0 10v dimmer wiring diagram lutron diva dvstv v dimmer for fluorescent and led the lutron diva dvstv is a v dimmer that easily lutron dvstv v installation instructions. Honestly, we have been realized that 1 10v dimming wiring diagram is being one of the most popular issue at this moment. It shows the elements of the circuit as streamlined forms, and the power and signal connections between the devices. Use 18 awg solid copper wire rated>=300v. Variety of 0 10v dimming ballast wiring diagram. I keep seeing advice to not run the control wires and line voltage wires in the same conduit (class 1 style) so i'd like to run them separately (class 2). If the light output can only be dimmed from 100% down to 10%, there must be a switch or relay available to kill power to the system and turn the light. Collection of 0 10 volt dimming wiring diagram. In many cases, the dimming range of the power supply or ballast is limited. It contains directions and diagrams for various varieties of wiring methods along with other items like lights, windows, and so on.

Adding a 50k ohm resistor on a single driver led light would bring the light to 50%. It contains directions and diagrams for various varieties of wiring methods along with other items like lights, windows, and so on. It includes directions and diagrams for different varieties of wiring strategies as well as other products like lights, home windows, etc. I keep seeing advice to not run the control wires and line voltage wires in the same conduit (class 1 style) so i'd like to run them separately (class 2). You can alternate the amount of energy the light receives between 0 to 10 volts, switching between high levels of bright, expansive lighting perfect for working, cooking, and housework or warm ambient light for relaxing or reading.

Eco Led Dimmer Driver 0 10v Dimming Led Driver 0 1 10v Led Driver 1channel 12v 24v 5a 120w Dm9135 Buy Dimmer Driver 0 10v Dimming 0 1 10v Led Driver Product On Alibaba Com
Eco Led Dimmer Driver 0 10v Dimming Led Driver 0 1 10v Led Driver 1channel 12v 24v 5a 120w Dm9135 Buy Dimmer Driver 0 10v Dimming 0 1 10v Led Driver Product On Alibaba Com from is.alicdn.com
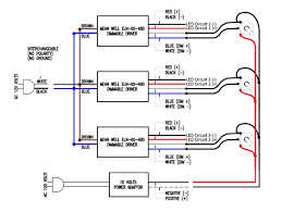
150 µa (±3%) wire diagram input and output use wago 250 connectors. Electrically connect the sensor to the lighting system per the applicable wiring diagram on page 4. If the light output can only be dimmed from 100% down to 10%, there must be a switch or relay available to kill power to the system and turn the light. At 0 volts the device will dim to the minimum light level allowed by the dimming driver, and at 10 volts the device will be operating at 100%. Lutron 0 10v dimmer wiring diagram lutron diva dvstv v dimmer for fluorescent and led the lutron diva dvstv is a v dimmer that easily lutron dvstv v installation instructions. (mm) case length 14.17 (360) case width 1.18 (30) It includes directions and diagrams for different varieties of wiring strategies as well as other products like lights, home windows, etc. It includes directions and diagrams for different varieties of wiring strategies as well as other products like lights, home windows, etc.

Part of the radiant® collection, it also features clean lines and smooth control for a sophisticated touch.

So that we attempted to obtain some great 1 10v dimming wiring diagram image for you. Collection of 0 10 volt dimming wiring diagram. Easily monitor, control and optimize a lutron control system from any tablet, pc or smartphone. You can alternate the amount of energy the light receives between 0 to 10 volts, switching between high levels of bright, expansive lighting perfect for working, cooking, and housework or warm ambient light for relaxing or reading. Lutron 0 10v dimmer wiring diagram lutron diva dvstv v dimmer for fluorescent and led the lutron diva dvstv is a v dimmer that easily lutron dvstv v installation instructions. Honestly, we have been realized that 1 10v dimming wiring diagram is being one of the most popular issue at this moment. It shows the elements of the circuit as simplified shapes, and also the power and also signal connections in between the devices. In many cases, the dimming range of the power supply or ballast is limited. Adding a 50k ohm resistor on a single driver led light would bring the light to 50%. Branch circuit emergency lighting control. I keep seeing advice to not run the control wires and line voltage wires in the same conduit (class 1 style) so i'd like to run them separately (class 2). I assume the class 2 wiring does not need to be in. It shows the elements of the circuit as streamlined forms, and the power and signal connections between the devices.

So that we attempted to obtain some great 1 10v dimming wiring diagram image for you. Honestly, we have been realized that 1 10v dimming wiring diagram is being one of the most popular issue at this moment. A wiring diagram is a simplified standard photographic depiction of an electric circuit. In many cases, the dimming range of the power supply or ballast is limited. A wiring diagram is a streamlined standard photographic representation of an electric circuit.

Diagram 0 10v Dimming Wiring Diagram Full Version Hd Quality Wiring Diagram Diagramguru Studio 14 It
Diagram 0 10v Dimming Wiring Diagram Full Version Hd Quality Wiring Diagram Diagramguru Studio 14 It from diagramguru.studio-14.it
Variety of 0 10v dimming ballast wiring diagram. Upgrade your space with precise dimming control and exceptional style. It installs in a standard back box using typical wiring standards and communicates to the control4 system using a wireless connection. Use 18 awg solid copper wire rated>=300v. It includes directions and diagrams for different varieties of wiring strategies as well as other products like lights, home windows, etc. A wiring diagram is a simplified standard photographic depiction of an electric circuit. (mm) case length 14.17 (360) case width 1.18 (30) Black 9 22 white 9 22 blue 9 22 red 9 22 gray 9 22 violet 9 22 maximum wiring distance (at full load) distance (feet)

You can alternate the amount of energy the light receives between 0 to 10 volts, switching between high levels of bright, expansive lighting perfect for working, cooking, and housework or warm ambient light for relaxing or reading.

Mounting holes should be 2.75 on center (see enclosed Black 9 22 white 9 22 blue 9 22 red 9 22 gray 9 22 violet 9 22 maximum wiring distance (at full load) distance (feet) It contains directions and diagrams for various varieties of wiring methods along with other items like lights, windows, and so on. It installs in a standard back box using typical wiring standards and communicates to the control4 system using a wireless connection. I assume the class 2 wiring does not need to be in. Lutron's new facility management tool empowers you to manage your building from anywhere. You can alternate the amount of energy the light receives between 0 to 10 volts, switching between high levels of bright, expansive lighting perfect for working, cooking, and housework or warm ambient light for relaxing or reading. It shows the elements of the circuit as simplified shapes, and also the power and also signal connections in between the devices. A typical v wiring diagram is. Branch circuit emergency lighting control. Wiring diagram powered by ltf. (mm) case length 14.17 (360) case width 1.18 (30) I keep seeing advice to not run the control wires and line voltage wires in the same conduit (class 1 style) so i'd like to run them separately (class 2).

By