Wrx Wiring Diagram : 1999 2001 Subaru Impreza Wiring Diagram Wiring Diagram Service Manual Pdf - It shows the components of the circuit as simplified shapes, and the skill and signal.. Here's a 2006 subaru wrx car alarm wiring diagram. Looking to confirm the following pinout colours on the ecu. This document is best used in conjunction with the 2006 wrx wiring guide. Wiring connection some wiring diagrams are indicated in foldouts for convenience. Home theater component wiring diagrams.

2011 subaru impreza wrx/sti brochure by neil huffman subaru louisville ky. The wiring diagrams are separated by system so wiring junctions or spliced wires do not always appear in a single diagram. Need the wiring diagram for 2006 impreza wrx radio wire diagram … read more. 2007 rav4 electrical wiring diagrams. Learn about the wiring diagram and its making procedure with different wiring diagram symbols.

Subaru Radio Wiring Diagram In 2020 Electrical Wiring Diagram Trailer Wiring Diagram Light Switch Wiring
Subaru Radio Wiring Diagram In 2020 Electrical Wiring Diagram Trailer Wiring Diagram Light Switch Wiring from i.pinimg.com
Each section is organized into 'parts diagrams', 'service procedures', etc. Clark forklift (partproplus) electronic spare parts catalogs Fuse box diagram (location and assignment of electrical fuses) for subaru wrx (2015, 2016, 2017 cigar lighter (power outlet) fuses in the subaru wrx are the fuses #13 (center console power outlet). 2006 toyota avalon wiring diagrams. A wiring diagram is a simplified conventional pictorial representation of an electrical circuit. Wiring destinations are indicated where necessary by corresponding symbols (as when two pages are. December 16, 2018december 15, 2018. It has what your looking for.

2006 toyota avalon wiring diagrams.

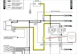
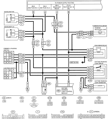
Looking to confirm the following pinout colours on the ecu. Wiring connection some wiring diagrams are indicated in foldouts for convenience. Subaru impreza wrx wiring diagrams.gif. Fuse box diagram (location and assignment of electrical fuses) for subaru wrx (2015, 2016, 2017 cigar lighter (power outlet) fuses in the subaru wrx are the fuses #13 (center console power outlet). It shows the components of the circuit as simplified shapes, and the power and signal connections between the devices. D 2007 toyota new car features. * registered users of the site do not see these ads. This document is best used in conjunction with the 2006 wrx wiring guide. Learning how to read a wiring diagram is comparable to learning a foreign language. 2006 toyota avalon wiring diagrams. In 1950, fuji sangyo was divided into 12 separate activities, some of which after some time ceased to exist. See more ideas about diagram, electrical wiring diagram, wire. Here's a 2006 subaru wrx car alarm wiring diagram.

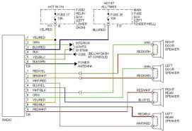
Instead of learning new words, we learn symbols and acronyms. Fuse box diagram (location and assignment of electrical fuses) for subaru wrx (2015, 2016, 2017 cigar lighter (power outlet) fuses in the subaru wrx are the fuses #13 (center console power outlet). Need the wiring diagram for 2006 impreza wrx radio wire diagram … read more. Can anyone give me a web site with the 02 wrx engine wiring harness thank you. 2007 rav4 electrical wiring diagrams.

Diagram 2004 Subaru Impreza Wrx Wiring Diagram Full Version Hd Quality Wiring Diagram Sacwiring Touchofclass It
Diagram 2004 Subaru Impreza Wrx Wiring Diagram Full Version Hd Quality Wiring Diagram Sacwiring Touchofclass It from detoxicrecenze.com
Better for multiple fuel pumps. Clark forklift (partproplus) electronic spare parts catalogs Blue/red @ radio harness car stereo ground. Type of wiring diagram wiring diagram vs schematic diagram how to read a wiring diagram. Vehicle wiring diagrams includes wiring diagrams for cars and wiring diagrams for trucks. D 2007 toyota new car features. Read how to draw a circuit diagram. Wiring destinations are indicated where necessary by corresponding symbols (as when two pages are.

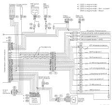
Does anyone have wiring diagram for this engine.

For the 1998 australian wrx wiring diagrams and engine diagnostic fsm pages. D 2007 toyota new car features. Probable cause of troublelook at the wiring diagram and check the systems circuit. 02 subaru wrx wiring diagram many www niiid sauber de rr 5614 light wrong for horn wire photo nasioc 2002 engine diagrams f3c1dbf headlight library xcceleration mr2 yl 8750 radio northursalia. Instead of learning new words, we learn symbols and acronyms. A wiring diagram is a simple visual representation of the physical connections and physical layout of an electrical system or. New 02/11/11 thanks go to greg m. It has what your looking for. I need subaru impreza 08 sti wiring diagram to pin defi zd tachometer and speed … read more. It shows the components of the circuit as simplified shapes, and the skill and signal. Home theater component wiring diagrams. Read how to draw a circuit diagram. Fuse box diagram (location and assignment of electrical fuses) for subaru wrx (2015, 2016, 2017 cigar lighter (power outlet) fuses in the subaru wrx are the fuses #13 (center console power outlet).

D 2007 toyota new car features. In 1950, fuji sangyo was divided into 12 separate activities, some of which after some time ceased to exist. Fuse box diagram (location and assignment of electrical fuses) for subaru wrx (2015, 2016, 2017 cigar lighter (power outlet) fuses in the subaru wrx are the fuses #13 (center console power outlet). Clark forklift (partproplus) electronic spare parts catalogs A wiring diagram is a simple visual representation of the physical connections and physical layout of an electrical system or.

Subaru Wrx Horn Wiring Diagram Wiring Diagram Law Spark Law Spark Atlanticsport It
Subaru Wrx Horn Wiring Diagram Wiring Diagram Law Spark Law Spark Atlanticsport It from detoxicrecenze.com
December 16, 2018december 15, 2018. Here's a 2006 subaru wrx car alarm wiring diagram. Instead of learning new words, we learn symbols and acronyms. Learning how to read a wiring diagram is comparable to learning a foreign language. Vehicle wiring diagrams includes wiring diagrams for cars and wiring diagrams for trucks. It shows the components of the circuit as simplified shapes, and the power and signal connections between the devices. The wiring diagrams are separated by system so wiring junctions or spliced wires do not always appear in a single diagram. Wiring connection some wiring diagrams are indicated in foldouts for convenience.

Full service workshop manual for 2009 impreza and wrx, includes wiring diagram.

Need the wiring diagram for 2006 impreza wrx radio wire diagram … read more. Learn about wiring diagram symbools. Smc twin relay wiring (works to lower battery voltage. Instead of learning new words, we learn symbols and acronyms. * registered users of the site do not see these ads. Learning how to read a wiring diagram is comparable to learning a foreign language. Does anyone have wiring diagram for this engine. This document is best used in conjunction with the 2006 wrx wiring guide. New 02/11/11 thanks go to greg m. 2011 subaru impreza wrx/sti brochure by neil huffman subaru louisville ky. Can anyone give me a web site with the 02 wrx engine wiring harness thank you. The wiring diagrams are separated by system so wiring junctions or spliced wires do not always appear in a single diagram. In 1950, fuji sangyo was divided into 12 separate activities, some of which after some time ceased to exist.

By