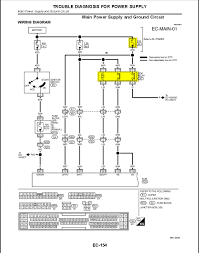
2000 Infiniti G20 Engine Diagram - 1996 Infiniti G20 Fuse Diagram Var Wiring Diagram Self Rotate Self Rotate Europe Carpooling It / There are no expert reviews for 2000 infiniti g20.. Genuine oem parts for infiniti g20 for sale | ebay get the best deals on engines & components for infiniti g20 when you shop the largest online selection at. It is especially important that the precautions in the gl section be completely understood before. 2000 infiniti oem g20 engine parts. Right side of engine compartment. G20 main power supply and ground circui twiring diagram.

We have 23 infiniti g35 manuals covering a total of 10 years of production. Right side of engine compartment. Learn more about the 2015 mazda 3's performance including information on the engine, fuel economy, transmission, suspension and more. This manual contains maintenance and repair procedures for the 2000 infiniti g20. Engine oil pump cover hitachi for infiniti g20 t nissan 200sx sentra l4 2.0l (fits:

1996 Infiniti G20 Engine Diagram 1991 Geo Metro Engine Diagram Bege Wiring Diagram
1996 Infiniti G20 Engine Diagram 1991 Geo Metro Engine Diagram Bege Wiring Diagram from www.infinitipartsdeal.com
This manual contains maintenance and repair procedures for the 2000 infiniti g20. There are no expert reviews for 2000 infiniti g20. Compare trims on the 2000 infiniti g20. You are bidding on a genuine 2000 infiniti g20 service manual set. The 2000 infiniti g20 comes in 2 configurations costing $21,395 to $22,895. In order to assure your safety and the efficient functioning of the vehicle, this manual should be read thoroughly. The engine builder's source, can locate the right part for nearly any rebuild application. Engine speed does not return to idle (light braking d.

G20 main power supply and ground circui twiring diagram.

Infiniti g20 2000 buzzers, relays & timers. Why is the engine light on? Learn more about the 2015 mazda 3's performance including information on the engine, fuel economy, transmission, suspension and more. Find out what your car is really worth in minutes. It is especially important that the precautions in the gl section be completely understood before. The 2000 infiniti g20 comes in 2 configurations costing $21,395 to $22,895. View all 2000 infiniti g20 manuals. Engine oil pump cover hitachi for infiniti g20 t nissan 200sx sentra l4 2.0l (fits: Engine speed does not return to idle (light braking d. Left front of engine compartment, next to battery. We have 23 infiniti g35 manuals covering a total of 10 years of production. Infiniti g20 2000, engine lower gasket set by enginetech®. It provides the hydraulic power to aid in steering.

You are bidding on a genuine 2000 infiniti g20 service manual set. Our most popular manual is the 2006 infiniti g35 coupe model v35 series factory service manual. 2000 infiniti g20 trim levels. Compare trims on the 2000 infiniti g20. Why is the engine light on?

Starter Relay Security System Starter Relay Security System Is
Starter Relay Security System Starter Relay Security System Is from www.2carpros.com
We provide the right products at the right prices. How does the obdii works? Infiniti g20 2000, engine lower gasket set by enginetech®. Left front of engine compartment, next to battery. This manual contains maintenance and repair procedures for the 2000 infiniti g20. Engine speed does not return to idle (light braking d. In order to assure your safety and the efficient functioning of the vehicle, this manual should be read thoroughly. Infiniti g20 2000 buzzers, relays & timers.

Our most popular manual is the 2006 infiniti g35 coupe model v35 series factory service manual.

This (like all of our manuals) is available to download for free in pdf format. Infiniti g20 2000 buzzers, relays & timers. Left front of engine compartment, next to battery. Two revamped transmissions are available: This manual contains maintenance and repair procedures for the 2000 infiniti g20. 2000 infiniti g20 service repair manual set. 2000 infiniti g20 engine diagram 2000 infiniti g20 auto parts from autozone.com. 2000 infiniti oem g20 engine parts. It provides the hydraulic power to aid in steering. 2000 infiniti g20 trim levels. The 2000 infiniti g20 comes in 2 configurations costing $21,395 to $22,895. Engine oil pump cover hitachi for infiniti g20 t nissan 200sx sentra l4 2.0l (fits: The 1994 infiniti g20 does not have a timing belt, thus you can't replace it even if you want to.

It provides the hydraulic power to aid in steering. Why is the engine light on? Infiniti g20 2000, engine lower gasket set by enginetech®. Genuine infiniti engine control module for 2000 infiniti g20. P0720 2000 infiniti g20 4,785 views vehicle speed sensor.

1995 Infiniti Alternator Wiring Diagram Wiring Diagram Sick Colab Sick Colab Pennyapp It
1995 Infiniti Alternator Wiring Diagram Wiring Diagram Sick Colab Sick Colab Pennyapp It from www.2carpros.com
Our most popular manual is the 2006 infiniti g35 coupe model v35 series factory service manual. Learn more about the 2015 mazda 3's performance including information on the engine, fuel economy, transmission, suspension and more. You refused to sacrifice quality when you purchased your infiniti, so don't sacrifice when you choose to repair or upgrade. Manuals and operating instructions for this infiniti vehicle. You are bidding on a genuine 2000 infiniti g20 service manual set. Trust 2000infiniti g20 service repair manual will. For engine coolant temperature sender 37483 for infiniti g20 i30 nissan sentra (fits: Engine oil pump cover hitachi for infiniti g20 t nissan 200sx sentra l4 2.0l (fits:

For engine coolant temperature sender 37483 for infiniti g20 i30 nissan sentra (fits:

Infiniti g20 2000, engine lower gasket set by enginetech®. In order to assure your safety and the efficient functioning of the vehicle, this manual should be read thoroughly. Engine oil pump cover hitachi for infiniti g20 t nissan 200sx sentra l4 2.0l (fits: Here you will find fuse box diagrams of infiniti g20 1998, 1999, 2000, 2001 and 2002, get information about the location of the. Right side of engine compartment. You refused to sacrifice quality when you purchased your infiniti, so don't sacrifice when you choose to repair or upgrade. Trust genuine 2000 infiniti g20 engine parts to match the level of quality and performance that drew you to infiniti in the first place. Genuine oem parts for infiniti g20 for sale | ebay get the best deals on engines & components for infiniti g20 when you shop the largest online selection at. This information is provided as a service to our valued customers at no charge. For engine coolant temperature sender 37483 for infiniti g20 i30 nissan sentra (fits: Two revamped transmissions are available: 2000 infiniti g20 service repair manual set. The engine builder's source, can locate the right part for nearly any rebuild application.

By