Home › Unlabelled ›
Fan Relay Wiring Diagram / Jeep Cj7 Wiring Diagram Dual Fan Relay Wiring Diagram Replace Tan Digital Tan Digital Miramontiseo It - Wiring diagram includes the following instructions.
Fan Relay Wiring Diagram / Jeep Cj7 Wiring Diagram Dual Fan Relay Wiring Diagram Replace Tan Digital Tan Digital Miramontiseo It - Wiring diagram includes the following instructions.. Use relay location and electrical wiring routing sections to find each part, junction block and wiring harness connectors, wiring battery fan relay. I found these white rodgers 1f90 / 1f97 isolation relay wiring diagrams that might help. Dual fan wiring diagram 120v rheostat wiring diagrams long ae86 wiring diagram cooling fan wiring diagram technic. The capacitor values are, orange = 1.6μf and purple = 2.3μf. There are two things that will be found in any fan relay wiring diagram.
Hyundai wiring diagram for radiator cooling fans. The relays should have numbered terminals. 1a and 1c contact form available. What is the proper wiring from sequencer to fan isolation relay to have low speed fan for heat? How a car starting system works:
Wiring Diagram Fan Relay Switch from i0.wp.com Complete illustrated installation instructions make the installation simple. Type of wiring diagram wiring diagram vs schematic diagram how to read a wiring diagram: This is the diagram below to learn all the pin terminals of a double pole double throw (dpdt) relay: If the relay has a 5th terminal, it is not used. Use relay location and electrical wiring routing sections to find each part, junction block and wiring harness connectors, wiring battery fan relay. This pictorial diagram shows us the. It reveals the parts of the circuit as streamlined shapes and the power a. The first element is symbol that indicate electrical element from the circuit.
In this tutorial, we are going to learn how to turn on/off some kind of devices that use the high voltage power supply(such as a light bulb, fan.
How to wire an electric fan with an ac trinary switchamerican autowire. The 2 coil terminals is where the voltage is placed in order to energize the coil. A relay is basically a switch but not like a switch that's on a wall. I took out the fan relays completely, relocated them, so i could wire them to a switch in my dash. Complete illustrated installation instructions make the installation simple. If you find power at all those points, that confirms the fusible links are good. Hyundai wiring diagram for radiator cooling fans. In this tutorial, we are going to learn how to turn on/off some kind of devices that use the high voltage power supply(such as a light bulb, fan. Spals' fan relay harness kit includes: The diagram offers visual representation of a electric arrangement. There is a chance that the relay is not an exact replacement, in which case you will have to use a wiring diagram for both to figure it out. The polarity of the voltage does not matter. The first element is symbol that indicate electrical element from the circuit.
Wiring the isolation relay on my electric furnace heating system. Note, the diagram uses a fan switch in the block to control the fans. Dual fan wiring diagram 120v rheostat wiring diagrams long ae86 wiring diagram cooling fan wiring diagram technic. This pictorial diagram shows us the. Relay schematics and diagrams sample wiring diagrams for a 4 pin normally open relay.
Hvac Relay Wiring Diagram Diagram Design Sources Electrical Gaudy Electrical Gaudy Lesmalinspres Fr from lh5.googleusercontent.com Used for accessories in a 12volt system. Use relay location and electrical wiring routing sections to find each part, junction block and wiring harness connectors, wiring battery fan relay. Headlights, horn, fuel pump, electric fan, etc. Relay wiring diagrams of dozens of 12v 5 pin spdt automotive relay wiring configurations for mobile electronics applications. 1a and 1c contact form available. Wiring the isolation relay on my electric furnace heating system. It reveals the parts of the circuit as streamlined shapes and the power a. How to wire an electric fan with an ac trinary switchamerican autowire.
Place the relay's rated coil voltage on these terminals.
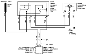
Note, the diagram uses a fan switch in the block to control the fans. Wiring a electric fan with a relay. Relay wiring diagrams of dozens of 12v 5 pin spdt automotive relay wiring configurations for mobile electronics applications. It reveals the parts of the circuit as streamlined shapes and the power a. I found these white rodgers 1f90 / 1f97 isolation relay wiring diagrams that might help. 1a and 1c contact form available. What is the proper wiring from sequencer to fan isolation relay to have low speed fan for heat? By wiring it that way woul i be running power for the fans thru the switch? Wiring diagram includes the following instructions. Diode (for abs circuit) a/t control relay jic (1) control wiring harness and instrument panel wiring harness combination control wiring compressor relay condenser fan relay radiator fan relay horn relay. The 2 coil terminals is where the voltage is placed in order to energize the coil. Home » wiring diagram » electric fan relay wiring diagram. This is the diagram below to learn all the pin terminals of a double pole double throw (dpdt) relay:
Wiring diagram includes the following instructions. Keep wires from rubbing and shorting out the thicker the. How to wire an electric fan with an ac trinary switchamerican autowire. Tire pressure warning antenna and receiver. How a car starting system works:
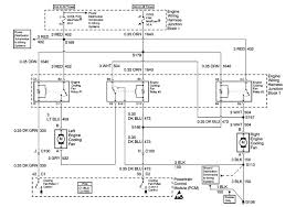
How To Properly Wire Electric Cooling Fans from www.championcooling.com System diagram, starter motor, solenoid, starter relay, neutral safety switch. By wiring it that way woul i be running power for the fans thru the switch? Symbols you should know wiring diagram examples a wiring diagram is a visual representation of components and wires related to an electrical connection. The temp controller is used on the low amp coil part of the circuit and the indash switch is a 3. Hyundai wiring diagram for radiator cooling fans. This pictorial diagram shows us the. The first element is symbol that indicate electrical element from the circuit. I took out the fan relays completely, relocated them, so i could wire them to a switch in my dash.
What is the proper wiring from sequencer to fan isolation relay to have low speed fan for heat?
By wiring it that way woul i be running power for the fans thru the switch? How a car starting system works: In all basic wiring jobs you need to follow some basic rules of keep wires from getting into moving parts of the fan or engine. Wiring a electric fan with a relay. Relay schematics and diagrams sample wiring diagrams for a 4 pin normally open relay. Common starting system problems, testing. The polarity of the voltage does not matter. The first element is symbol that indicate electrical element from the circuit. The relays should have numbered terminals. A fan wiring harness with relay, fuse holder and fan thermostat (sending unit) 185° or 195°. This is a typical wiring diagram for a standard relay installed for. Wiring the isolation relay on my electric furnace heating system. Spals' fan relay harness kit includes: